BEARING GELENG GELUT TALIAN SIRI W
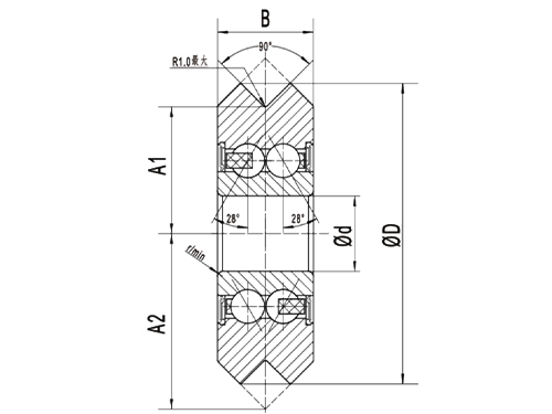
| Roda No | Lubang mm | O.D. Mm | Lebar mm | A1 | A2 | Chamfer r/min mm | Muatkan | Berat badan | |
| SUNTHAI | D1 | D | B | A1 | A2 | R/min | Cr(N) | Cor(N) | Kg |
| W0 | 4 | 14.84 | 6.35 | 5.94 | 9.12 | 0.3 | 1 | 0.5 | 5 |
| W0X | 4 | 14.84 | 6.35 | 5.94 | 9.12 | 0.3 | 1 | 0.5 | 5 |
| W1 | 4.763 | 19.56 | 7.87 | 7.9 | 11.86 | 0.3 | 2.2 | 1 | 11 |
| W1X | 4.763 | 19.56 | 7.87 | 7.93 | 11.86 | 0.3 | 2.2 | 1 | 11 |
| W2 | 9.525 | 30.73 | 11.1 | 12.7 | 18.24 | 0.3 | 4.9 | 2.5 | 38 |
| W2X | 9.525 | 30.73 | 11.1 | 12.7 | 18.24 | 0.3 | 4.9 | 2.5 | 38 |
| W3 | 12 | 45.72 | 15.88 | 19.05 | 26.98 | 0.6 | 9.4 | 4.9 | 130 |
| W3X | 12 | 45.72 | 15.88 | 19.05 | 26.98 | 0.6 | 9.4 | 4.9 | 130 |
| W4 | 15 | 59.94 | 19.05 | 25.4 | 34.93 | 1 | 14.8 | 8.2 | 280 |
| W4X | 15 | 59.94 | 19.05 | 25.4 | 34.93 | 1 | 14.8 | 8.2 | 280 |
| W4XL | 22 | 75.39 | 25.4 | 31.75 | 44.45 | 1.1 | 20.6 | 14.3 | 580 |
| W4XXL | 22 | 75.39 | 25.4 | 31.75 | 44.45 | 1.1 | 20.6 | 14.3 | 580 |
| W1SSX | 4.763 | 19.56 | 7.87 | 7.93 | 11.86 | 0.3 | 2.2 | 1 | 11 |
| W2SSX | 9.525 | 30.73 | 11.1 | 12.7 | 18.24 | 0.3 | 4.9 | 2.5 | 38 |
| W3SSX | 12 | 45.72 | 15.88 | 19.05 | 26.98 | 0.6 | 9.4 | 4.9 | 130 |
| W4SSX | 15 | 59.94 | 19.05 | 25.4 | 34.93 | 1 | 14.8 | 8.2 | 280 |
Dalam dunia jentera perindustrian yang pantas, usaha untuk kecekapan, ketahanan dan reka bentuk penjimatan ruang tidak pernah berakhir. Jurutera dan pengurus penyelenggaraan sentiasa mencari kompon...
BACA LAGIDalam jentera perindustrian, barisan pengeluaran automatik dan peralatan berat, galas penggelek trek memainkan peranan yang penting. Mereka menyokong dan membimbing pergerakan komponen bergolek, me...
BACA LAGIDalam jentera tugas berat, pemilihan galas adalah penting. Mereka bukan sahaja melaksanakan tugas putaran dan sokongan tetapi juga secara langsung mempengaruhi kestabilan, ketahanan, dan kecekapan ...
BACA LAGIGalas bola baris berganda digunakan secara meluas dalam motor, peralatan mekanikal, peminat, bahagian automotif, dan aplikasi lain kerana mereka boleh menahan beban paksi radial dan dua arah....
BACA LAGI Galas penggelek linear siri W : gabungan sempurna ketepatan dan kecekapan
Galas penggelek linear siri W Ningbo Wanshun direka khas untuk memenuhi keperluan ketepatan tinggi, beban tinggi dan gerakan linear sepanjang hayat. Siri produk ini mengguna pakai sains bahan termaju dan proses pembuatan untuk memastikan bahawa galas dapat mengekalkan pekali geseran yang sangat rendah dan kestabilan gerakan yang sangat baik sambil menanggung beban paksi dan jejarian yang besar. Galas penggelek linear siri W bukan sahaja dapat mengurangkan haus mekanikal secara berkesan dan memanjangkan hayat perkhidmatan peralatan, tetapi juga meningkatkan ketepatan gerakan dan kelajuan tindak balas dengan ketara. Ia adalah pilihan ideal untuk alatan mesin ketepatan, peralatan automasi, robot industri dan bidang lain.
Dalam proses penyelidikan dan pembangunan galas roller linear siri W, Ningbo Wanshun sentiasa meneroka penemuan. Syarikat itu mempunyai pasukan penyelidikan dan pembangunan yang terdiri daripada jurutera kanan dan penyelidik saintifik yang mengikuti trend teknologi antarabangsa terkini dan terus mengoptimumkan reka bentuk produk inovatif mengikut permintaan pasaran. Ningbo Wanshun telah berjaya menyelesaikan masalah kesesakan galas penggelek linear tradisional dari segi rintangan haus, kapasiti beban, dan hayat perkhidmatan dengan mengguna pakai formulasi bahan termaju, proses rawatan haba dan teknologi pemesinan ketepatan, menjadikan galas penggelek linear siri W mencapai lonjakan kualitatif dalam prestasi.
Kualiti adalah talian hayat Ningbo Wanshun. Dalam proses pengeluaran galas penggelek linear siri W, syarikat mematuhi piawaian sistem pengurusan kualiti ISO9001 dengan ketat dan menjalankan kawalan kualiti menyeluruh ke atas perolehan bahan mentah, pengeluaran dan pemprosesan, pemeriksaan produk siap dan aspek lain. Syarikat ini dilengkapi dengan peralatan ujian lanjutan dan pasukan ujian profesional untuk mengawal ketat pelbagai penunjuk prestasi produk bagi memastikan setiap set galas penggelek linear siri W boleh memenuhi atau melebihi piawaian industri. Pencapaian muktamad terhadap kualiti inilah yang membolehkan galas penggelek linear siri W Ningbo Wanshun memenangi reputasi yang baik dan kepercayaan yang meluas dalam pasaran.
Dengan perkembangan pesat automasi industri dan pembuatan pintar, permintaan pasaran untuk galas penggelek linear siri W semakin meningkat dari hari ke hari. Galas penggelek linear siri W Ningbo Wanshun digunakan secara meluas dalam alatan mesin CNC, barisan pengeluaran automatik, robot industri, peralatan semikonduktor, peralatan perubatan dan bidang lain kerana prestasi cemerlang dan kualiti yang boleh dipercayai. Di antara peralatan mewah ini, galas roller linear siri W memainkan peranan penting, bukan sahaja meningkatkan prestasi keseluruhan dan ketepatan peralatan, tetapi juga menggalakkan transformasi, peningkatan dan pembangunan berkualiti tinggi industri berkaitan.